
微型電磁振動給料機特點
微型電磁振動給料機(振動喂料機)配套控制箱可實現手動、自動調節。微型給料機為座式結構,工作時只需放置在工作臺上即可。另可在給料槽內增加一~二層篩網,成為小型振動篩分設備。


微型電磁振動給料機用途
微型電磁振動給料機廣泛應用于輕工、化工、糧食加工、商業等行業,用于粉狀、顆粒狀物料的給料、配料及定量自動包裝等生產流程中,并可實現集中控制和自動控制。與其它形式給料機相,具有體積小、重量輕、結構簡單、耗電省、可無級調節給料量等特點。


微型電磁振動給料機技術參數
型 號 | GZV1 | GZV2 | GZV3 | GZV4 | GZV5 | GZV6 |
生產能力(t/h) | 0.1 | 0.5 | 1 | 2 | 4 | 6 |
雙振幅(mm) | 1.5 | |||||
振動頻率(r/min) | 3000 | |||||
供電電壓(V) | 220 | |||||
有功功率(W) | 5 | 8 | 20 | 25 | 30 | 50 |
重量(kg) | 4 | 7 | 12 | 18 | 27 | 45 |


.jpg)
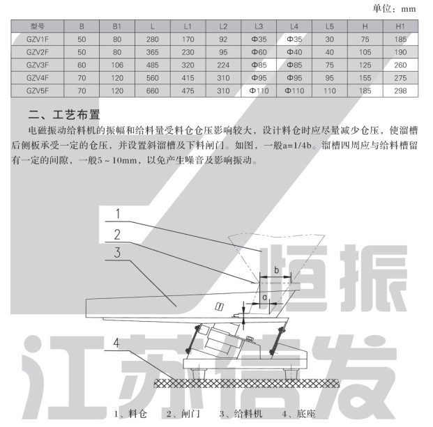
料倉溜咀配置示意:
電磁振動給料機的振幅和給料量受料倉倉壓影響較大,設計料倉時應盡量減少倉壓,使溜咀后側板承受一定的倉壓,并設置斜溜沮及下料閘門。如圖,一般a=1/4b。溜咀四周應與給料槽留有一定的間隙,一般5~10mm,以免產生噪音及影響振動。
蘇公網安備 32062102000309號